调节阀阀门在40%关不下去
2023-09-27 科威
管式空预器防腐“这办法太牛了
锅炉汽包电接点水位计知识介绍
2023-09-26 科威
二次交流回路知识及相关注意事项
旁路作业分流异常分析
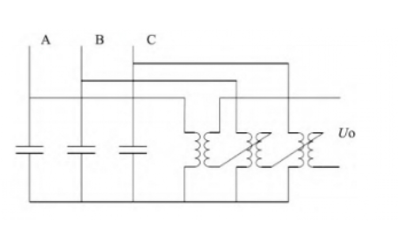
电容器组不平衡保护四种接线方式
2023-09-25 科威
并联电容器组保护概述
PSA程控阀电磁阀故障原因分析