新闻动态
KWZK科威自控集团
kaiyun·开云(中国)官方网站
关于我们
公司简介
在线反馈
联系我们
产品展示
全部
传感器/变送器
流量计系列
液位/料位系列
阀门/执行装置
液压/气动元件
检维修工器具
化验/分析仪器
其他机电仪产品
新闻动态
全部
行业知识
企业新闻
资料下载
客户案例
新闻动态
推荐
热门
最新
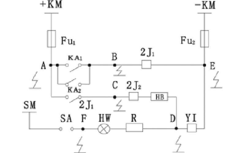
直流系统接地的处理方法知识分享
直流系统接地的处理方法知识分享
2023-04-03
科威
直流系统接地时电压偏移和选线装置的原理
直流系统接地时电压偏移和选线装置的原理
2022-12-14
科威
上一页
1
下一页
转至第
首页
产品
新闻
联系
星空体育
|
leyu
|
开云手机站登录入口
|
开云集团
|
LEYU.COM
|
MK国际
|
KY.COM-开云(中国)
|
乐鱼官网注册
|
kaiyun·开云(中国)官方网站
|